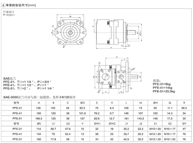
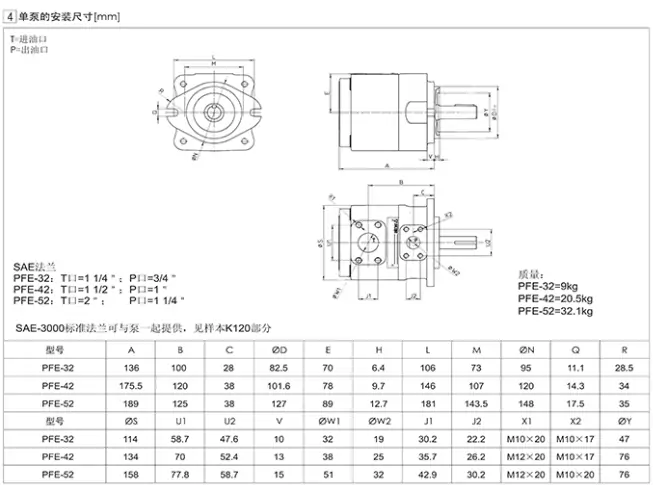
意大利ATOS阿托斯 PFE-31010/1DT PFE-41029 PFE-51090定量葉片泵
聊聊液壓系統故障診斷
液壓傳動系統由于其獨特的優點,即具有廣泛的工藝適應性、優良的控制性能和較低廉的成本,在各個領域中獲得愈來愈廣泛的應用。但由于客觀上元、輔件質量不穩定和主觀上使用、維護不當,且系統中各元件和工作液體都是在封閉油路內工作,不像機械設備那樣直觀,也不像電氣設備那樣可利用各種檢測儀器方便地測量各種參數。
液壓設備中,僅靠有限幾個壓力表、流量計等來指示系統某些部位的工作參數,其他參數難以測量,而且一般故障根源有許多種可能,這給液壓系統故障診斷帶來一定困難。
在生産現場,由于受生産計劃和技術條件的制約,要求故障診斷人員準確、簡便和高效地診斷出液壓設備的故障;要求維修人員利用現有的信息和現場的技術條件,盡可能減少拆裝工作量,節省維修工時和費用,用簡便的技術手段,在盡可能短的時間內準確地找出故障部位和發生故障的原因并加以修理,使系統恢複正常運行,并力求今后不再發生同樣故障。
目前查找液壓系統故障的傳統方法是邏輯分析逐步逼近診斷。此法的基本思路是綜合分析、條件判斷。即維修人員通過觀察、聽、觸摸和簡單的測試以及對液壓系統的理解,憑經驗來判斷故障發生的原因。當液壓系統出現故障時,故障根源有許多種可能。采用邏輯代數方法,將可能故障原因列表,然后根據先易后難原則逐一進行邏輯判斷,逐項逼近,最終找出故障原因和引起故障的具體條件。

此法在故障診斷過程中要求維修人員具有液壓系統基礎知識和較強的分析能力,方可保證診斷的效率和準確性。但診斷過程較煩瑣,須經過大量的檢查、驗證工作,而且隻能是定性地分析,診斷的故障原因不夠準確。爲減少系統故障檢測的盲目性和經驗性以及拆裝工作量,傳統的故障診斷方法已遠不能滿足現代液壓系統的要求。
近年來,隨著液壓系統向大型化、連續生産、自動控制方向發展,叉出現了多種現代故障診斷方法。如鐵譜技術診斷,可從油液中分離出來的各種磨粒的數量、形狀、尺寸、成分以及分布規律等情況,及時、準確地判斷出系統中元件的磨損部位、形式、程度等;而且可對液壓油進行定量的污染分析和評價,做到在線檢測和故障預防。再如基于人工智能的專家診斷系統,它通過計算機模仿在某一領域內有經驗專家解決問題的方法,將故障現象通過人機接口輸入計算機,計算機根據輸入的現象以及知識庫中的知識,可推算出引起故障的原因,然后通過人機接口輸出該原因,并提出維修方案或預防措施。這些方法給液壓系統故障診斷帶來廣闊的前景,給液壓系統故障診斷自動化奠定了基礎。但這些方法大都需要昂貴的檢測設備和複雜的傳感控制系統和計算機處理系統,有些方法研究起來有一定困難。目前不適應于現場推廣使用。







PFE 31028/ 5DW
PFE-31016/1DT 20 PFE-31016/1DU
PFE-31022/1DT 20 PFE-31022-1DU
PFE-31028/ 1DT PFE-31028/1DT 20
PFE-31036/1DT PFE-31036/1DT 20
PFE-31044/1DT 20 PFE-31044/5DT PFE-31044-1DT
PFE-32036/3DT 20 PFE-32036/3DU 20
PFE-41029/1DT
PFE-41045/1DT 20
PFE-41070-10V
PFE-41085/10D PFE-41085/1DT 20
PFE-42045/3DW 20
PFE-42056/3DT PFE-42056/3DT 20
PFE-51090/1DT PFE-51090-1DT
PFE-51150/1DT 20
PFED 54110/045/1 DVO
PFED-43045/016/1DTA PFED-43045/028-1DT0 PFED-43045/044/1DTO
PFED-43070/028/1DWB20 PFED-43070/044/1DV0 20
PFED-43085/016 PFED-43085/016/1DVO 20 PFED-43085/022 PFED-43085/028 PFED-43085/036
PFED-43085/044 PFED-43085/044/1DUO 20
PFED-54110/037/1DTO
本文由蘇州逐利機電整理發布,如需轉載請瀏覽來源及出處,原文地址:http://www.xihuly.cn/yyyb/203.html






留言信息