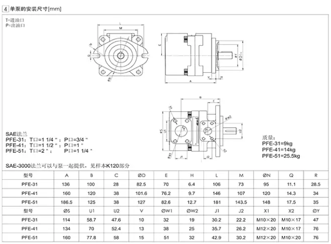
ATOS柱銷式液壓葉片泵PFE-51090 110 129 150-1DT壓機塑機泵阿托斯
液壓沖擊的危害、原因及處理
在液壓系統中,管路內流動的液體常常會因很快地換向和閥口的突然關閉,在管路程內形成一個很高的峰值,這種現象叫液壓沖擊。
一、液壓沖擊的危害
1、沖擊壓力可能高達正常工作壓力的3~4倍,使系統中的元件、管道、儀表等遭到破壞。
2、沖擊産生的沖擊壓力使壓力繼電器誤發信號,干擾液壓系統的正常工作,影響液壓系統的工作穩定性和可靠性。
3、引起振動和噪聲、連接件松動、造成漏油、壓力閥調節壓力改變、流量閥調節流量改變;影響系統正常工作。
二、液壓沖擊産生的原因
1、管路內閥口迅速關閉時産生液壓沖擊。
2、運動部件在高速運動中突然被制動停止,産生壓力沖擊(慣性沖擊)。
例如油缸活塞在行程中途突然停止或反向,主換向閥換向過快,活塞在缸端停止或反向,均會産生壓力沖擊。

三、防止液壓沖擊的一般辦法
對于閥口突然關閉産生的壓力沖擊,可采取下述方法排除或減輕。
1、減慢換向閥的關閉速度,即增大換向時間。例如采用直流電磁閥比交流電磁閥的液壓沖擊要小;采用帶阻尼的電液換向閥,可通過調節阻尼以及控制通過先導閥的壓力和流量來減緩主換向閥閥芯的換向(關閉)速度,液動換向閥也與此類似。
2、增大管徑,減小流速,以減小沖擊壓力,縮短管長,避免不必要的彎曲;采用軟管也行之有效。
3、在滑閥完全關閉前減慢液體的流速。例如改進換向閥控制邊的結構,即在閥芯的棱邊上開長方V形直槽,或做成錐形(半錐角2°~5°)節流錐面,較之直角形控制邊,液壓沖擊大爲減小;在外圓磨床上,對先導換向閥采取預制動,然后主換向閥快跳至中間位置,工作臺油缸左右腔瞬時進壓力油(主閥爲P型),這樣可使工作臺無沖擊地平衡停止;平面磨床工作臺換向閥可采用H型,這樣,當換向閥快跳后處于中間位置時,油缸左右兩腔互通且通油池,可減小制動時的沖擊壓力。
4、運動部件突然被制動、減速或停止時,産生的液壓沖擊的防止方法(例如油缸)。
①在液壓油缸的行程終點采用減速閥,由于緩慢關閉油路而緩和了液壓沖擊。
②可在油缸的人口及出口處設置反應快、靈敏度高的小型安全閥(直動型),其調整壓力在中、低壓系統中,爲最高工作壓力的105%~115%。如液壓龍門刨床、導軌磨床等所采用的系統;在高壓系統中,爲最高工作壓力的125%,如液壓機所采用的系統。這樣可使沖擊壓力不會超過上述調節值。
③采用橡膠軟管吸收液壓沖擊能量。
④在快進轉工進(如組合機床)設置行程節流閥,并設置含兩個角度的行程撞塊,通過角度的合理設計,防止快速轉換爲工進時的速度變換過快造成的壓力沖擊;或者采用雙速轉換使速度轉換不至于過快。
⑤在油缸端部設置緩沖裝置(如單向節流閥)控制油缸端部的排油速度,使油缸運動到缸端停止,平穩無沖擊。
⑥在易産生液壓沖擊的管路程位置設置蓄能器,吸收沖擊壓力。
⑦在油缸回油控制油路中設置平衡閥(立式液壓機)和背壓閥(臥式液壓機),以控制快速下降或運動的前沖沖擊,并適當調高背壓壓力。
⑧采用帶阻尼的液動換向閥,并調大阻尼,即關小兩端的單向節流閥,一般磨床操縱箱內的主換向閥(液動)均設置有這種結構。
⑨油缸缸體孔配合間隙(間隙密封時)過大,或者密封破損,而工作壓力又調得很大時,易産生沖擊,可重配活塞或更換活塞密封,并適當降低工作壓力,排除由此帶來的沖擊現象。







PFE 31028/ 5DW
PFE-31016/1DT 20 PFE-31016/1DU
PFE-31022/1DT 20 PFE-31022-1DU
PFE-31028/ 1DT PFE-31028/1DT 20
PFE-31036/1DT PFE-31036/1DT 20
PFE-31044/1DT 20 PFE-31044/5DT PFE-31044-1DT
PFE-32036/3DT 20 PFE-32036/3DU 20
PFE-41029/1DT
PFE-41045/1DT 20
PFE-41070-10V
PFE-41085/10D PFE-41085/1DT 20
PFE-42045/3DW 20
PFE-42056/3DT PFE-42056/3DT 20
PFE-51090/1DT PFE-51090-1DT
PFE-51150/1DT 20
PFED 54110/045/1 DVO
PFED-43045/016/1DTA PFED-43045/028-1DT0 PFED-43045/044/1DTO
PFED-43070/028/1DWB20 PFED-43070/044/1DV0 20
PFED-43085/016 PFED-43085/016/1DVO 20 PFED-43085/022 PFED-43085/028 PFED-43085/036
PFED-43085/044 PFED-43085/044/1DUO 20
PFED-54110/037/1DTO
本文由蘇州逐利機電整理發布,如需轉載請瀏覽來源及出處,原文地址:http://www.xihuly.cn/yyyb/207.html






留言信息