SUFON換向閥_葉片泵VCM-SF-12D/20D/30D/40D/C/B/A-10/20油泵
各種液壓馬達性能比較及應用范圍
各類液壓馬達的主要性能比較和適用工況與應用范圍見下表。
各類液壓馬達的主要性能比較:

注:表中所列的效率性能等都是額定工況下不同滾個的粗略平均值,并非該類型液壓馬達的最高效率值。
各種液壓馬達的使用工況與應用范圍:

一般而言,在相同功率下,一臺性能優良的液壓馬達,應具備:功率質量比大,額定壓力和轉速高,最低穩定轉速低,容積效率和總效率高,啟動機械效率高,滑移轉速小,承受沖擊載荷能力強,噪聲低,動態特性好,壽命長等特點。



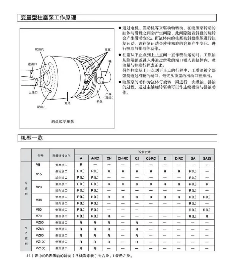
50T-23-FR 50T-23FR
BG-03 BG-06-1 BG-10H
CRG-10H DG-01
DSH-03-2B2 DSHG-02-262-A220 DSHG-02-2B2 DSHG-02-2B2-A220 DSHG-02-2B2-A240-N
DSHG-02-2B2B DSHG-02-2B2B-A220 DSHG-02-2B2DC24 DSHG-02-2B2L
DSHG-02-2B2L-A220 DSHG-02-2B2-LW DSHG-02-2B2-LW-A220 DSHG-02-2B2-R220
DSHG-02-2B3 DSHG-02-2B3-A220 DSHG-02-2B3B DSHG-02-2B3B-A220
DSHG-02-2B3L-A220 DSHG-02-2B8 DSHG-02-2B8-A220 DSHG-02-2B8-LW
DSHG-02-2BA DSHG-02-2D2 DSHG-02-2D2-A220 DSHG-02-2D2-D24
DSHG-02-2D2-DC24 DSHG-02-3C DSHG-02-3C0 DSHG-02-3C2 DSHG-02-3C2-A220
DSHG-02-3C2-D24 DSHG-02-3C3 DSHG-02-3C3-A220 DSHG-02-3C3-D24
DSHG-02-3C3-R110V DSHG-02-3C3-R220 DSHG-02-3C3-R220V DSHG-02-3C4
DSHG-02-3C40-A220 DSHG-02-3C4-2B3A-A220 DSHG-02-3C4-A220 DSHG-02-3C4-A220-B
DSHG-02-3C4-D24 DSHG-02-3C4-LW DSHG-02-3C5 DSHG-02-3C5-A220
DSHG-02-3C6 DSHG-02-3C60 DSHG-02-3C60-A220 DSHG-02-3C60-R220
DSHG-02-3C6-A220 DSHG-02-3C6-R220 DSHG-02-3C7 DSHG-02-3C7-A220
DSHG-02-3C8 DSHG-02-3C8-A220 DSHG-02-3C9 DSHG-02-3C9-A220
DSHG-03-2B2 DSHG-03-2B2-A220 DSHG-03-2B2B DSHG-03-2B2-DC24
DSHG-03-2B2L DSHG-03-2B2L-A220 DSHG-03-2B2-LWDSHG-03-3C3-R220V
DSHG-03-2B2-R220 DSHG-03-2B3 DSHG-03-2B3-A220 DSHG-03-2B3B DSHG-03-2B3B-A220
DSHG-03-2B3B-LW-A220 DSHG-03-2B3L-A220 DSHG-03-2B6 DSHG-03-2B8
DSHG-03-2B8-A220 DSHG-03-2BA DSHG-03-2D2 DSHG-03-3C2 DSHG-03-3C2-A22
DSHG-03-3C2-A220 DSHG-03-3C2-A220V DSHG-03-3C2-A240-N DSHG-03-3C2DC24
DSHG-03-3C2-LW DSHG-03-3C2-R220 DSHG03-3C3 DSHG-03-3C3 DSHG-03-3C3-A220
DSHG-03-3C3DC24 DSHG-03-3C3-R220 DSHG-03-3C3-R220V DSHG-03-3C3-RF220
DSHG-03-3C4 DSHG-03-3C40-A220 DSHG-03-3C4-2B3A-A220 DSHG-03-3C4-A220
DSHG-03-3C4DC24 DSHG-03-3C4-R220 DSHG-03-3C5 DSHG-03-3C5-A220
DSHG-03-3C6 DSHG-03-3C60-R220 DSHG-03-3C6-A220 DSHG-03-3C6-R220
DSHG-03-3C7 DSHG-03-3C7-A220 DSHG-03-3C8 DSHG-03-3C8-A220 DSHG-03-3C9
DSHG-03-3C9-A220 DSHG-03-3C-A240-N DSHG-03-N DSHG-04-3C6220V
DSHG-06-3C6 DSHG-3C3-02-R110 DSHG-G02-2B2-AC110/220V-LW/DL
DSHG-G02-2B2-DC24V-LW/DL DSHG-G02-2B2-RF-AC-LW/DL DSHG-G02-2B2-RF-DC-LW/DL
DSHG-G02-3C2-DC24V-LW/DL DSHG-G02-3C2-RF-AC-LW/DL DSHG-G02-3C2-RF-DC-LW/DL
DSHG-G02-3C4-AC110/220V-LW/DL DSHG-G02-3C4-DC24V-LW/DL DSHG-G02-3C4-RF-AC-LW/DL
DSHG-G02-3C4-RF-DC-LW/DL DSHG-G02-3C6-AC110/220V-LW/DL
DSHG-G02-3C6-DC24V-LW/DL DSHG-G02-3C6-RF-AC-LW/DL DSHG-G02-3C6-RF-DC-LW/DL
DSHG-G03-2B2-AC110/220V-LW/DL DSHG-G03-2B2-DC24V-LW/DL
DSHG-G03-2B2-RF-AC-LW/DL DSHG-G03-2B2-RF-DC-LW/DL DSHG-G03-3C10
DSHG-G03-3C2-AC110/220V-LW-DL DSHG-G03-3C2-DC24V-LW/DL
DSHG-G03-3C2-RF-AC-LW/DL DSHG-G03-3C2-RF-DC-LW/DL
DSHG-G03-3C4-AC110/220V-LW/DL DSHG-G03-3C4-DC24V-LW-DL DSHG-G03-3C4-RF-AC-LW/DL
DSHG-G03-3C4-RF-DC-LW/DL DSHG-G03-3C6-AC110/220V-LW/DL DSHG-G03-3C6-DC24V-LW/DL
DSHG-G03-3C6-RF-AC-LW/DL DSHG-G03-3C6-RF-DC-LW/DL
EDG-01
ER-G01 ER-G03 ER-G06
HG-06-B4 HGP-1A-F2R HGP-1A-F3R HGP-1A-F4R HGP-1A-F5R HGP-1A-F6R HGP-1A-F8R
HGP-2A-F12R HGP-2A-F2R HGP-2A-F3R HGP-2A-F4R HGP-2A-F5R HGP-2A-F6R
HGP-2A-F8R HGP-2A-F9R HGP-3A-F11R HGP-3A-F14R HGP-3A-F17R HGP-3A-F19R
HGP-3A-F23R HGP-3A-F25R HGP-3A-F30R HGP-3A-F8R
HRF-G03 HSRF-G06 HSRF-G10
HVP-30F/A3 HVP-40F/A3
HVPVCC-F3030-A2 HVPVCC-F3030-A3 HVPVCC-F3030-A4 HVPVCC-F3030-A5
HVPVCC-F4040-A2 HVPVCC-F4040-A3
HVPVC-F30-A2 HVPVC-F30-A3 HVPVC-F30-A4 HVPVC-F30-A5 HVPVC-F40-A2
HVPVC-F40-A3 HVPVC-F40-A4 HVPVC-F40-A5
MC-03P MC-03T MC-03-T MCT-03
MD-02T MD-02TNC MD-02T-NC MD-02T-NO
MDT-02-NC MD-T02-NC
MFS-02-A
MG-02A MG-02P MP-028
MP-02A MP-02W MP-03 MP-03A MP-03P MP-03W MP-03W MP06A MP-06A MP-06W
MPC-02 MPC-03
MPCV-02A MPCV-03W
MQ-02A MQ-03B
MR-02 MR-02P
MT-02W MT-03W MT-03W
MTC-02 MTCV-03W
PV2R1-11FRAA PV2R1-11FRRA PV2R1-12FRRA PV2R1-14FRAA PV2R1-14FRAA
PV2R1-14FRM PV2R1-17-F-FR PV2R1-17FRAR/14FRAA
PVF-20-35-20 PVF-20-55-10 PVF-20-55-10S PVF-20-70-20 PVF-30-35-20
PVF-30-55-10 PVF-30-55-10S PVF-30-70-10 PVF-40-35-20 PVF-40-55-10
PVF-40-70-20
RF-G01 RF-G02
RGP-F203 RGP-F206 RGP-F208 RGP-F310 RGP-F314 RGP-F317
SCV-03
SRCG-03 SRCG-06
VA1-08F-A1 VA1-08F-A2 VA1-08F-A3 VA1-12F-A1 VA1-12F-A2 VA1-12F-A3 VA1-15F-A3
VB1-20F-A1 VB1-20F-A2 VB1-20F-A3 VB1-24F-A3
VC1-26F-A1 VC1-26F-A2 VC1-26F-A3
VD1-25F-A1 VD1-25F-A2 VD1-25F-A3 VD1-30F-A1 VD1-30F-A2 VD1-30F-A3
VE1-35F-A1 VE1-35F-A2 VE1-35F-A3 VE1-40F-A1 VE1-40F-A2 VE1-40F-A3
VE1-45F-A1 VE1-45F-A2 VE1-45F-A3
VP1-12F-A3 VP1-15F-A3 VP-12 VP1-20F-A3 VP1-30F-A3 VP1-40F-A3
VP-15-15-F/A1 VP-15F/A1 VP-20 VP-20-20-F/A2 VP-20-A2 VP-20F/A2 VP-20F-A2
VP-30 VP-30 VP-30-140 VP-30-30-F VP-30-30-F/A3 VP-30F/A3 VP-30F-A3 VP-40-140
VP-40-40-F/A3 VP-40F/A3 VP-40F-A3
VP5F-A30-5-50-S VP5F-A40-5-50-S VP5F-B3-50
VP5FD-A30-5-A30-5-50 VP5FD-A40-5-A40-5-50
VPKCC-F2323A1A1-01 VPKCC-F2626A2A2-01 VPKCC-F3030A3A3-01 VPKCC-F4040A4A4-01
VPKC-F12A2-01 VPKC-F15A3-01 VPKC-F20A4-01 VPKC-F30A4-01 VPKC-F40A4-011
VP-SF-1515-D VP-SF-15-B VP-SF-15-C-20 VP-SF-15-D VP-SF-2020-D VP-SF-20-A-20
VP-SF-20-B VP-SF-20-B-20 VP-SF-20-C-20 VP-SF-20-D VP-SF-3030-D VP-SF-30-B VP-SF-30-D
VP-SF-30VP-SF-15-A-20 VP-SF-4040-D VP-SF-40-B VP-SF-40-D
VPV1-20-70
VPVCC-F2020-A2A2-02 VPVCC-F3030A3A3-02 VPVCC-F4040-A3A3-021
VPVC-F12-A1-02 VPVC-F15-A2-02 VPVC-F20-A3-02 VPVC-F30-A3-02 VPVC-F-40-A1-02
本文由蘇州逐利機電整理發布,如需轉載請瀏覽來源及出處,原文地址:http://www.xihuly.cn/yyyb/215.html






留言信息